Ключевые особенности
| ● Диапазон рабочих частот 45–1000 МГц. |
| ● Максимальное усиление 33 дБ |
| ● Низкий уровень шума: эквивалентный входной шумовой ток 3,5 пА/√Гц (EINC). |
| ● Линейность: -68 дБн CSO и -70 дБн CTB при ВЧ-выходе +78 дБн на канал (60 каналов PAL-D DS22). |
| ● Широкий динамический диапазон усиления, диапазон регулировки усиления 32 дБ. |
| ● Низкое энергопотребление, 210 мА для одного ВЧ-выхода при напряжении питания 5 В. |
|
● Управляющее напряжение АРУ 0–3 В. |
|
● Поддержка оптического диапазона от -10 дБм до +2 дБм от одного источника питания |
|
● Низкое энергопотребление: 110 мА для одного ВЧ-выхода при напряжении питания 12 В. |
|
● Бессвинцовый корпус QFN4X4-24L, соответствующий требованиям RoHS |
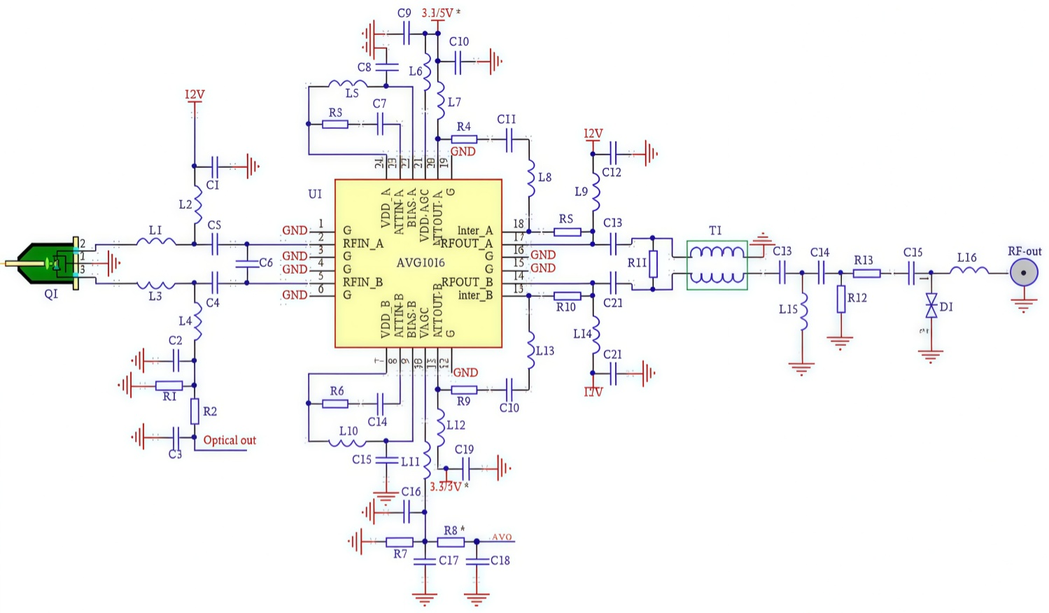
Усилитель с переменным коэффициентом усиления AVG1016
AVG1016 компании Sanland — это усилитель с переменным коэффициентом усиления. Аттенюатор, управляемый напряжением. Усилитель имеет высокую линейность и низкий уровень шума достигаются за счет использования 0,5 мкм Процесс GaAs E-PHEMT. Он размещен в миниатюрном корпусе размером 4,0 х. 24-контактный четырехконтактный корпус без вывода (QFN) диаметром 4,0 мм. Это предназначен для оптимального использования в диапазоне от 45 МГц до 1000 МГц. Компактность и низкий профиль в сочетании с высокой коэффициент усиления и высокая линейность делают AVG1018 идеальным выбором в качестве усилителя для сети CATV и сети FTTH.

| Тип | Ниже по течению |
| Минимальная частота (ГГц) | 0,05 |
| Макс. частота (ГГц) | 1.0 |
| Усиление (дБ) | 32 дБ |
| CSO(дБн) | -68 |
| СТВ (дБн) | -70 |
| НФ (дБ) | 1,5 |
| Напряжение (В) | 12 В |
| Ток (мА) | 110 |
| Тип упаковки | QFN |
| РоХС | Да |
| Без свинца | Да |
| Без галогенов | Да или нет |
